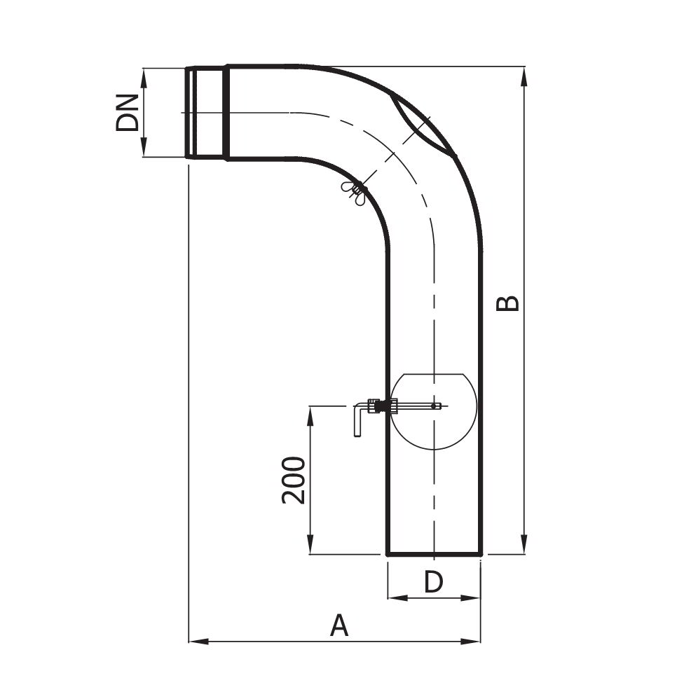
Колено гнутое с шибером и ревизией d150
4ee125c9c924
Доставка в Самара
Удобство оплаты
Почему звонить в Очаг уже сейчас?
- Единая цена по всей России
- Бесплатная доставка
- Понимаем любой бюджет
- Считаем ВСЕ варианты
- Инструкции и видео для Монтажа
- Доступно, Оперативно, Профессионально
- Более 2 000 монтажей за 17 лет
Примеры работ #Степан_Знает
Видео галерея
Описание
Характеристики












