Каминная топка Hoxter ECKA 51/51/51h
5b2491b16a73
Доставка в Самара
Удобство оплаты
Почему звонить в Очаг уже сейчас?
- Единая цена по всей России
- Бесплатная доставка
- Понимаем любой бюджет
- Считаем ВСЕ варианты
- Инструкции и видео для Монтажа
- Доступно, Оперативно, Профессионально
- Более 2 000 монтажей за 17 лет
Примеры работ #Степан_Знает
Видео галерея
Описание
Характеристики
Общие
Производитель:
Страна-производитель:
Чехия
Остекление:
Материал корпуса:
Материал топки:
- Шамот
Конструкция топки:
Стекло с подъемом вверх:
Да
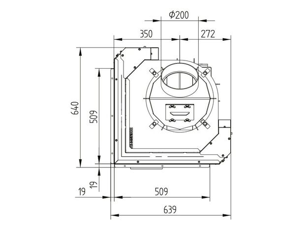
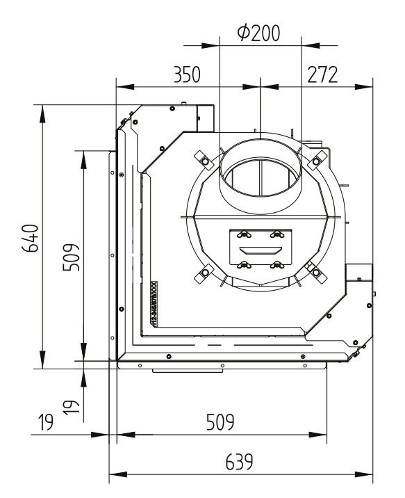
Размеры
Диаметр дымохода:
200 мм
Общая ширина:
640 мм
Общая глубина:
640 мм
Общая высота:
1382 мм
Общий вес:
261 кг
Производительность
Мощность:
9 кВт
КПД:
80%
Площадь отопления:
90 м²
Объем отопления:
225 м³
Использование для отопления:












